Сторінка №4 - Диференціальні вимикачі
Вимикач диференціального струму e.elcb.stand.2.C16.30 p0620006
Артикул: p0620006
Надійний захист вашої електросистеми
Перепади напруги та короткі замикання можуть спричинити відключення електроприладів, що особливо критично для пристроїв, які потребують постійного живлення. У разі випадкового контакту користувача з обладнанням, що знаходиться під напругою, можливі серйозні наслідки. Встановлення дифавтоматів і УЗО дозволяє значно знизити ризики і захистити вашу електричну систему. Ці пристрої незамінні для правильного підключення до силової арматури та забезпечують надійний захист при високих навантаженнях або коротких замиканнях. Дифавтомат і УЗО автоматично відключають живлення у разі виникнення небезпеки, діючи як вимикачі диференційного струму.
Принцип роботи та особливості дифавтомата
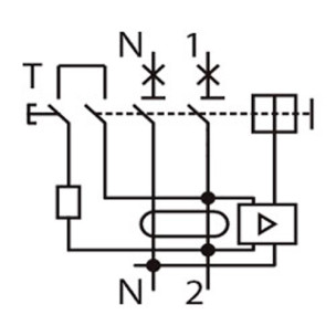
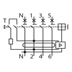
Діфавтомати оснащені вбудованим захисним модулем, який виконує функцію автоматичного вимикача. Цей модуль відключає мережу у разі контакту жили нульового провідника з фазним провідником або при перевантаженні. Механізм відключення розмикає контакти при замиканні ланцюга та перенапрузі, забезпечуючи безпеку експлуатації. Захисний елемент також обладнаний кнопкою скидання, яка дозволяє вручну повернути дифавтомат у робочий стан. УЗО додає додатковий рівень захисту, особливо в умовах підвищеної вологості або поблизу води.
Основний компонент дифавтомата – це трансформатор, який постійно порівнює величину струму на вході та виході, гарантуючи захист від ураження електричним струмом. У разі значних коливань, які загрожують життю, дифавтомат і УЗО спрацьовують автоматично. Принцип роботи цих пристроїв ґрунтується на перетворенні електричної енергії на механічну силу, що дозволяє розірвати ланцюг при стрибках напруги. Ви можете купити Діфавтомати та УЗО на нашому сайті.

Переваги та функції дифавтоматів
- Захист від ураження електричним струмом: Дифавтомат і УЗО надійно захищають користувача від удару струмом, миттєво спрацьовуючи при замиканні. Це особливо важливо в медичних установах, де використовується високочутливе обладнання.
- Універсальність конструкції: Дифавтомат складається з модуля захисту на електронній основі та безпосереднього автомата, забезпечуючи міцність і надійність роботи. У поєднанні з УЗО вони забезпечують максимальний захист.
- Простота тестування: Пристрій оснащений кнопкою "Тест", яка дозволяє штучно створити відключаючий струм витоку і перевірити працездатність дифавтомата та УЗО.
- Багаторівневий захист: Дифавтомат і УЗО захищають ланцюг від перевантажень, коротких замикань і земних замикань, що робить їх важливими елементами будь-якої електросистеми.
Пристрої захисного відключення (УЗО)
Пристрій захисного відключення (УЗО) – це електрозахисний пристрій, який відключає ланцюг при виявленні різниці між вхідним і вихідним струмом. Основний елемент УЗО – це поляризоване реле і трансформатор, через який проходять фазні та нульовий провідники. УЗО використовується як додатковий захист і встановлюється в системах TN-S, TN-C-S, TT і IT. Ви можете купити УЗО на нашому сайті.
Важливим технічним параметром УЗО є номінальна напруга і номінальний залишковий струм спрацьовування, який може варіюватися від 0,1 до 0,5 А. Ці пристрої забезпечують додаткову безпеку, відключаючи живлення при виявленні найменших витоків струму, що неможливо для звичайних автоматів.

Де купити Діфавтомати і УЗО?
На сайті Sloboda-shop.com ви можете купити Діфавтомати і УЗО за мінімальною ціною, при цьому гарантується якість продукції та швидка доставка. Ми пропонуємо широкий асортимент пристроїв від відомих виробників таких як: Schneider Electric, E.Next, Hager, які відповідають усім необхідним стандартам безпеки. Купити Діфавтомати і УЗО можна безпосередньо на сайті в режимі онлайн, з доставкою за вказаною адресою.
Висновок
Діфавтомати і УЗО – це необхідні елементи для захисту вашої електросистеми. Вони забезпечують багаторівневий захист від перевантажень, коротких замикань і витоків струму, що робить їх важливою складовою будь-якої сучасної електромережі. Ви можете бути впевнені у якості та надійності цих пристроїв, придбавши їх на сайті Sloboda-shop.com. Також наш магазин представляє великий вибір автоматів двополюсних, однополюсних, триполюсних, розеток на дин-рейку, таймерів і реле часу. Всі ці товари ви можете купити як оптом, так і в роздріб.














-195x195.jpg)
